


Product Name: 76A 3PIN Waterproof wall-through terminal block
Number of Pins: 3 P
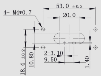
Cut-out:
Unlocking mode: Tools to Unlock
Rated Current: 76A
Rated Voltage: 1000V AC
Rated impulse Voltage: 8KV AC
Wire gauge:internal 8AWG MAX
external:10 mm2(Y JVR/Y JV/YJY) 16mm2(YJV/YJY)
Applicable wire outer diameter: 20mm Max
Degree of protection (IP): IP68(1m-1H)